Productos
Cajas Marinas
- Caja Marina 40A
- Caja Marina 120B
- Caja Marina 120C
- Caja Marina 135
- Caja Marina GWC 32.35
- Caja Marina GWC 42.45
- Caja Marina MA 125
- Caja Marina MB 170
- Caja Marina MB 242
- Caja Marina MB 270
- Caja Marina Z 300
Repuestos Agricolas
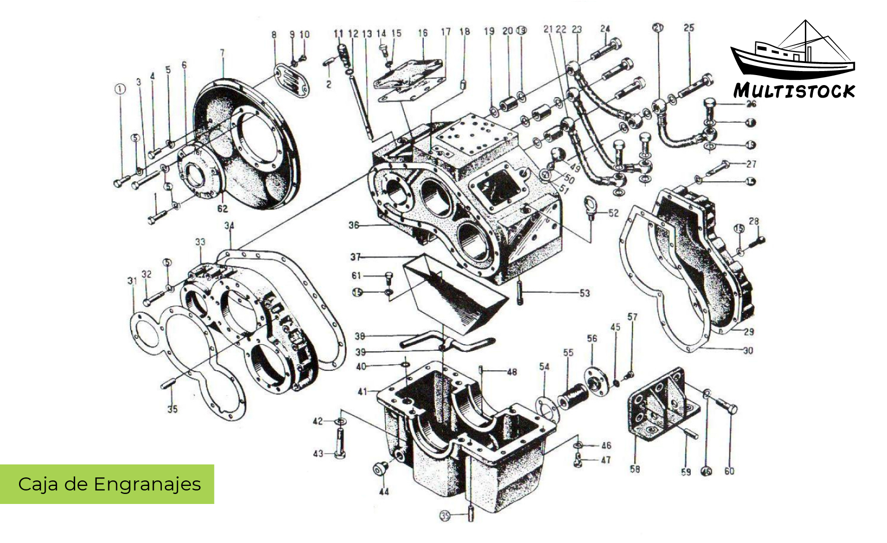
Caja Marina 135
Descripción
La Caja de Cambios Marina 135 posee funciones de reducción de velocidad, adelante y agarre a popa y empuje de la hélice. Está diseñado con transmisión en una sola etapa y desplazamiento vertical, con un volumen pequeño, peso ligero y fácil de desmontar y volver a montar y mantener.
Ficha Técnica
| Input speed | 750-2000r/min | Rated thrust | 29.4KN | ||
|---|---|---|---|---|---|
| Reduction ratio | 2.03、2.59、3.04、3.62、4.11 | trans. capacity | 0.10kw/r/min | Center distance | 225mm |
| 4.65 | 0.093kw/r/min | L×W×H | 578×744×830mm | ||
| 5.06 | 0.088kw/r/min | Net weight | 470kg | ||
| 5.47 | 0.077kw/r/min | Flywheel | 6135Ca、SAE14 | ||
| 5.81 | 0.070kw/r/min | Bell housing | 6135Ca、SAE1 | ||
| Control way | Push-and-pull flexible shaft, electrically | ||||
